Soulnote D-2 ver.2
D/A-WANDLER – erhältlich in Premium Silber / Premium Schwarz
Der D-2 ver.2 übernimmt die grundlegende Idee des D-2: eine groß dimensionierte, analog orientierte Ausgangsstufe nach dem Prinzip eines Leistungsverstärkers – konsequent ohne Gegenkopplung. In der 2. Version des D-2 wird dieses Konzept mit der weiterentwickelten New Type-R-Schaltung (aus dem E-3, für den DAC-Einsatz verfeinert), einer echten Twin-Mono-Architektur sowie einer deutlich aufgewerteten Takt- und Versorgungssektion kombiniert. Ziel ist maximale Ruhe, Präzision in der Zeitachse und eine stabile, tief gestaffelte räumliche Abbildung – unabhängig davon, ob intern oder extern getaktet wird.
TECHNOLOGIE
Twin-Mono-Konstruktion mit New Type-R-Schaltung
Das zentrale Merkmal des D-2 war seine großformatige, rückkopplungsfreie Verstärkersektion – konzeptionell eher wie ein Endverstärker ausgelegt als wie eine klassische DAC-Ausgangsstufe. Im D-2 ver.2 wird diese Analogsektion mit der neuesten Version der New Type-R-Schaltung ausgestattet, die für den E-3 entwickelt und für den DAC-Einsatz verfeinert wurde. Die Versorgung ist als Twin-Mono-Konstruktion mit links/rechts getrennten Netzteilbereichen realisiert.
Texas Instruments LMX2594 als DDS/PLL-Synthesizer
Für die Takterzeugung im DDS/PLL-Bereich kommt der LMX2594 von Texas Instruments zum Einsatz. Die sehr niedrigen Jitter- und Phasenrauschwerte dieser Lösung bilden die Grundlage für eine besonders präzise räumliche Abbildung – sowohl beim Betrieb mit externer Referenz als auch mit dem internen Takt.
10 MHz externer Referenztakt-Eingang und hochwertiger interner TCXO
Der interne Takt nutzt einen leistungsstarken TCXO mit sehr niedrigem Nah-Phasenrauschen. Für das Umschalten zwischen internem und externem Takt wird ein Hochfrequenzrelais mit mechanischen Kontakten verwendet, um zusätzliche Jitter-Einflüsse durch IC-Schalter zu vermeiden. Bei aktivem externem Takt wird die Stromversorgung des internen Takts abgeschaltet, damit dessen Schwingung stoppt und gegenseitige Beeinflussungen vermieden werden.
Der externe Takteingang ist als SMA-Terminal mit hoher HF-Güte und verstärkter mechanischer Ausführung realisiert. Ein Umrüstadapter, wie er bei früheren Setups erforderlich sein konnte, entfällt. In Kombination mit einem 10-MHz-Referenztaktgenerator (z. B. X-3) wird die Wiedergabe über den gesamten Frequenzbereich in Textur und Durchzeichnung weiter verfeinert.
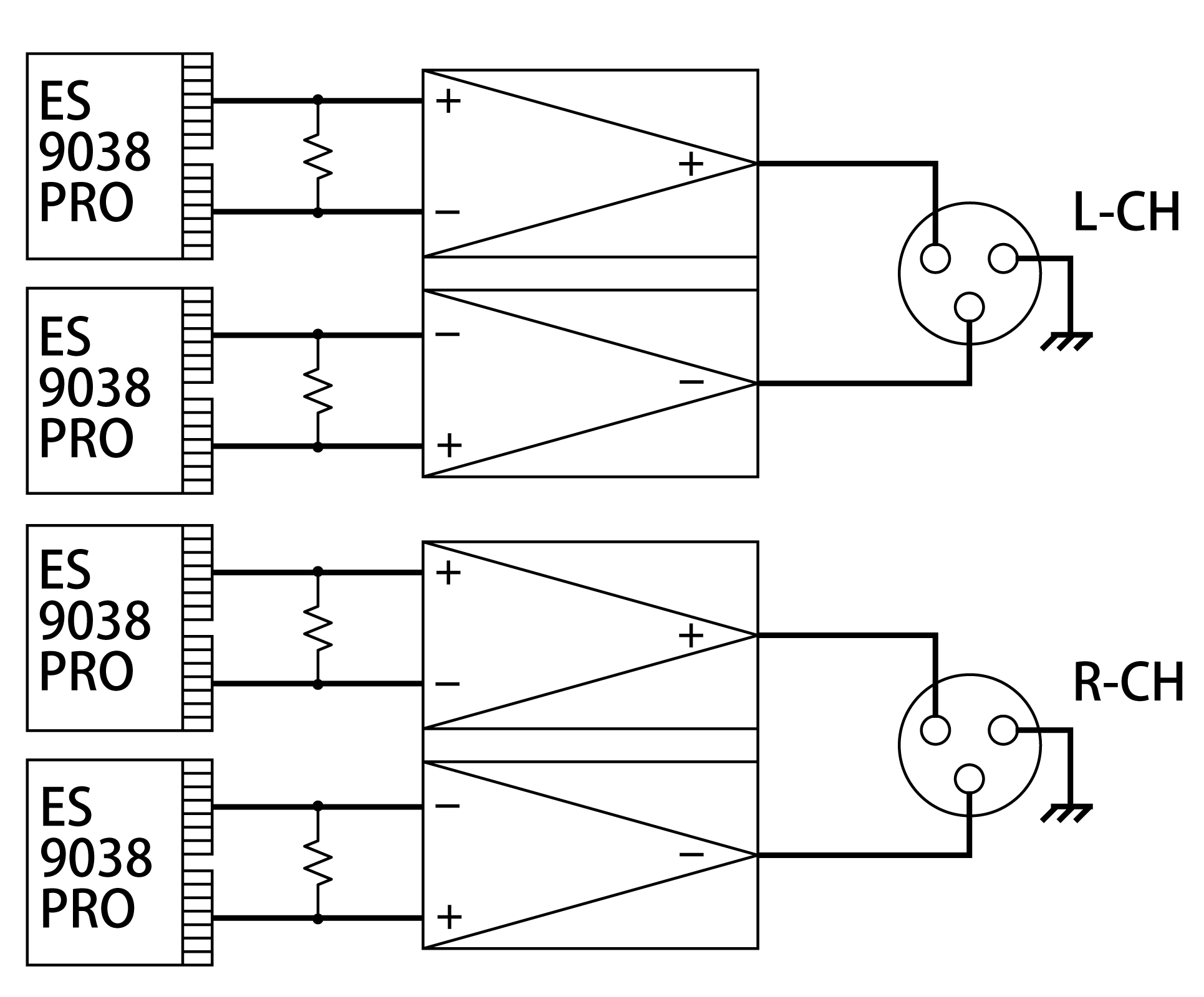
Widerstandsbasierte I/V-Umsetzung mit ES9038PRO
Pro Kanal kommen zwei ES9038PRO zum Einsatz. Durch den hohen verfügbaren Ausgangsstrom kann die I/V-Umsetzung mit einem einzelnen, niederohmigen Widerstand erfolgen. Damit wird ein Ansatz umgesetzt, der ohne eine klassische, rückgekoppelte I/V-Stufe auskommt und typische Nebenwirkungen solcher Schaltungen vermeidet. Der ES9038PRO arbeitet hierbei im Synchronmodus, der auf höchste Klangqualität ausgelegt ist.


FIR-Oversampling und zusätzlich NOS-Modus (Non-Oversampling)
Neben dem FIR-Oversampling-Modus steht ein NOS-Modus zur Verfügung. Dieser arbeitet ohne Oversampling und vermeidet damit die in FIR-Filtern prinzipbedingt entstehenden Vor- und Nachschwingeffekte (Pre-/Post-Echo) der Impulsantwort. Der NOS-Modus priorisiert eine besonders direkte Zeitachsenwiedergabe und eine natürliche Impulsdarstellung.
Hinweis: DSD wird nicht im NOS-Modus wiedergegeben.
400 VA Ringkerntransformator, bifilar gewickelt, mit 8 Sekundärwicklungen
Der D-2 ver.2 verwendet einen hoch dimensionierten Ringkerntransformator mit acht separaten Sekundärwicklungen – in der Größenordnung, wie man sie sonst eher aus leistungsstarken Verstärkern kennt. Die Gleichrichtung ist je Versorgungsstufe getrennt ausgeführt, um gegenseitige Beeinflussungen zu reduzieren. Ein Spike-Fuß direkt unter dem Transformator dient dazu, dessen mechanische Energie kontrolliert in das Gehäuse abzuleiten.
Rauschminimierung ohne klangbeeinflussende Filter
Zur Störvermeidung setzt der D-2 ver.2 auf optimierte Leiterplattenführung und eine 4-Lagen-Platine mit 70 µm Kupferfolie. Ziel ist eine konsequente Rausch- und Einstreuunterdrückung ohne den Einsatz typischer Zusatzfilter (z. B. Ferrite), die das Klangbild beeinflussen können. Unerwünschte Abstrahlung wird so in allen Betriebsarten unterhalb des Rauschpegels gehalten.
SPEZIFIKATIONEN
| Modell | D-2 VER2 SF (Premium Silver) / D-2 VER2 BF (Premium Black) |
| Eingangsformat | USB: PCM, DSD (DoP v1.1, ASIO nativ) Koaxial, AES/EBU: PCM, DSD (DoP v1.1) |
| Unterstützte Abtastfrequenz | USB: bis 768 kHz (PCM) / bis 22,6 MHz (DSD) Koaxial, AES/EBU: bis 192 kHz (PCM) / 2,8 MHz (DSD64, DoP v1.1) |
| PCM-Quantisierungsbitrate | USB: 16 Bit / 24 Bit / 32 Bit Koaxial, AES/EBU: 16 Bit / 24 Bit |
| Digitaler Eingang | USB (Typ B), 2x koaxial (S/PDIF), 2x AES/EBU |
| Externer Takteingang | 10 MHz (SMA, 50 Ω) |
| Analoge Ausgänge | 1× Balanced, 1× Unbalanced |
| Analoger Ausgangspegel | Balanced: 6,2 Vrms Unbalanced: 3,1 Vrms |
| Frequenzgang | 2 Hz bis 120 kHz (+0/-1 dB) |
| S/N-Verhältnis | 110 dB |
| Gesamtklirrfaktor | 0,04 % (NOS / 44,1 kHz) |
| Analoger Filter | primär passiv |
| Abmessungen(B x H x T) | 430 × 160 × 405 mm |
| Gewicht | ca. 17 kg |
| Zubehör | Spikes, Stromkabel |




